HF3FF/012-1ZST

    Реле електромеханічне
    24,00 ₴
    від: 1 шт.
    від: 23 шт. — 22,10 ₴
    від: 97 шт. — 20,52 ₴
    спец-ціна
    від: 195 шт. — 19,49 ₴
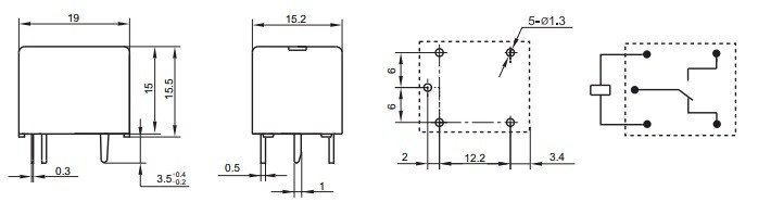
    Реле: електромагнітне: SPDT: Uобмоткі: 12VDC: 10A / 277VAC: 10А, Розмір: 19x15.5x15.2мм
    Є НА СКЛАДІ, МОЖНА КУПИТИ ПРЯМО ЗАРАЗ
    код товару: 00-00059230
    Виробник:HONGFA
    Фото на сайті може відрізнятись від реального виду предмета, але це не впливає на основні характеристики виробу
    Завантажити PDF - файл
    Опис
    Виробник HONGFA RELAY
    Тип реле електромагнітне
    Контакти SPDT
    Номінальна напруга обмотки 12 У DC
    Навантаження контакту AC (при активному навантаженні) 10 A / 227 ВАС
    Навантаження контакту DC (при активному навантаженні) 10 A/28 ВDC
    Струм контактів макс. 10А
    Комутована напруга макс. 227В AC, макс. 28В DC
    Виконання реле мініатюрне
    Монтаж на плату
    Опір обмотки макс. 400 Ом
    Напруга обмотки мін. 9 У DC
    Напруга обмотки макс. 15,6 DC
    Час спрацьовування 10 мс
    Зовнішні розміри 19 x 15.5 x 15,2 мм
    Час відпускання 5 мс
    Потужність, що споживається обмоткою 360 мВт
    Робоча температура -40...70°C
    Опір контактів 100 мОм
    Матеріал контакту AgSnO2
    Крок висновків 2 мм
    Характеристики
    Відгуки(0)