HF3FD/005-HSTF

    Реле електромеханічне
    24,00 ₴
    від: 1 шт.
    від: 23 шт. — 21,88 ₴
    від: 101 шт. — 19,76 ₴
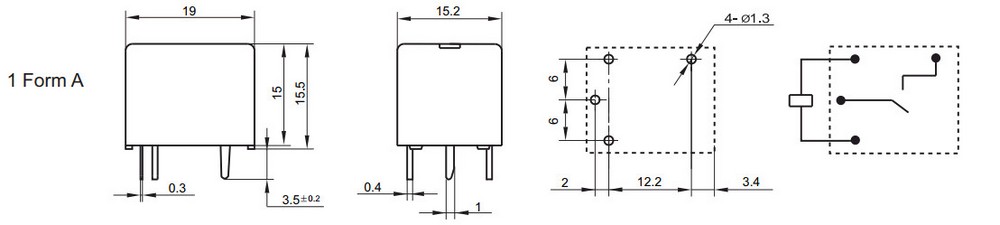
    Мініатюрне високопотужне реле: електромагнітне: контакт - замикає: Uобмоткі: 5VDC: Ком. 10A / 250VAC: 10A / 28VDC. 19,7х15,2х15,5
    тимчасово не в наявності
    Очікується надходження: 15.04.2026
    код товару: 00-00052269
    Виробник:HONGFA
    Фото на сайті може відрізнятись від реального виду предмета, але це не впливає на основні характеристики виробу
    Завантажити PDF - файл
    Опис
    Виробник HONGFA
    Тип реле електромагнітне
    Контакти
    Номінальна напруга обмотки 5 У DC
    Навантаження контакту АС (при активному навантаженні) 10 A/250 ВAC
    Навантаження контакту DC (при активному навантаженні) 10 A/28 ВDC
    Струм контактів макс. 10А
    Комутована напруга макс. 30В DC, макс. 277В AC
    Виконання реле мініатюрне
    Монтаж на плату
    Опір обмотки макс. 70 Ом
    Напруга обмотки мін. 3.75 У DC
    Напруга обмотки макс. 6.5 У DC
    Час спрацьовування 10 мс
    Зовнішні розміри 19 x 15.2 x 15.5 мм
    Час відпускання 5 мс
    Потужність, що споживається обмоткою 360 мВт
    Робоча температура -40...105°C
    Серія реле HF32FD
    Опір контактів 100 мОм
    Характеристики
    Відгуки(0)